Подать БЕСПЛАТНО

ОБЪЕКТ В АРХИВЕ

Продажа 1-этажного дома в Углах, Минская область ул. Заречная, 90000USD, код 654672

Минская область, д. Углы, ул. Заречная
Показать на карте
Московское направление
55 км от МКАД
255 069 р.
Код объекта: 654672
46.8 м2
21.76 сотка
Обновлено: 31.10.2025
255 069 р.
Предложить свою цену

О доме

Площадь общая
46.8 м2
Площадь дома
46.8 м2
Участок
21.76 сотка
В продаже
Целый дом
Год постройки
2018
Материал стен
сруб
Материал крыши
битумная черепица

Описание

Продается дом в живописном месте-деревня Углы Логойского района.

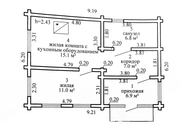
Дом площадью 47 м2 из оцилиндрованного бревна 2018 г. постройки. В доме две жилые комнаты – гостиная и спальня.; санузел, прихожая, коридор. Дом имеет современный дизайн, панорамный окна; кровля-мягкая черепица. Пригоден для круглогодичного проживания.

Отопление электрическое (льготный тариф), печь-камин, собственная скважина, подогрев воды через бойлер. Канализация местная на 6 м3. В доме есть вся необходимая мебель и техника.

Участок 22 сотки в частной собственности. Имеется баня из бруса 30 м2 с парилкой, комнатой отдыха и открытой террасой. Также на участке установлено теплица из поликарбоната и сарай из металлоконструкций. Оборудована зона барбекю. Участок ровный, ухоженный. Посажен молодой сад, ягодные кустарники, декоративные растения и деревья.

Рядом с деревней протекает река Гайна, в 3 км находится озеро с оборудованным пляжем – прекрасное место для отдыха и рыбалки. Для любителей сбора ягод и Грибов, а также охоты и прогулок в  200 м от дома – лес с Логойска в деревню ходят маршрутный автобус, автолавка.

ООО "Твоя столица", УНП 101136973, лицензия №02240/15 от 17.02.05г.
Агент
10 лет на сайте
Показать почту
Пожаловаться на объявление
Агентство недвижимости
ТВОЯ СТОЛИЦА АГЕНТСТВО НЕДВИЖИМОСТИ

Местоположение

Минская область, д. Углы, ул. Заречная
Опубликовано: 31.10.2025