Выберите валюту для сайта:
BYN
Подать БЕСПЛАТНО

Продажа 2-этажной дачи в ПОЛЯНА Минская область, 11500USD, код 184178

91 м2
35 888 р.
Дача
Город ПОЛЯНА
Адрес д. 36
Направление Молодечненское
Удаленность от МКАД 44 км
Год постройки 1995
  
Общая площадь 91 м2
Участок 6.04 соток
Площадь дома 91 м2
Этажей 2
Материал стен Кирпич
Тип отопления Печное
Водоснабжение Центральное
Канализация Есть

Описание



Двухэтажный, просторный дом, щитовой, по Госту, Финская технология, обложен кирпичем, обшит сайдингом,  1993 года, на участке 6,04 сотки в частной собственности, предпоследний дом по улице, тупиковый, подъезд.

Адрес: СТ Поляна, уч. 36, Молодечненское направление.

Планировка дома:
Дом в 2 этажа.
Размеры дома по внешнему периметру: 5,97 м * 7,45 м.
Общая площадь дома с мансардой и цоколем 91 кв.м./ 58,5 кв.м.без цоколя.
Планировка жилой площади дома:
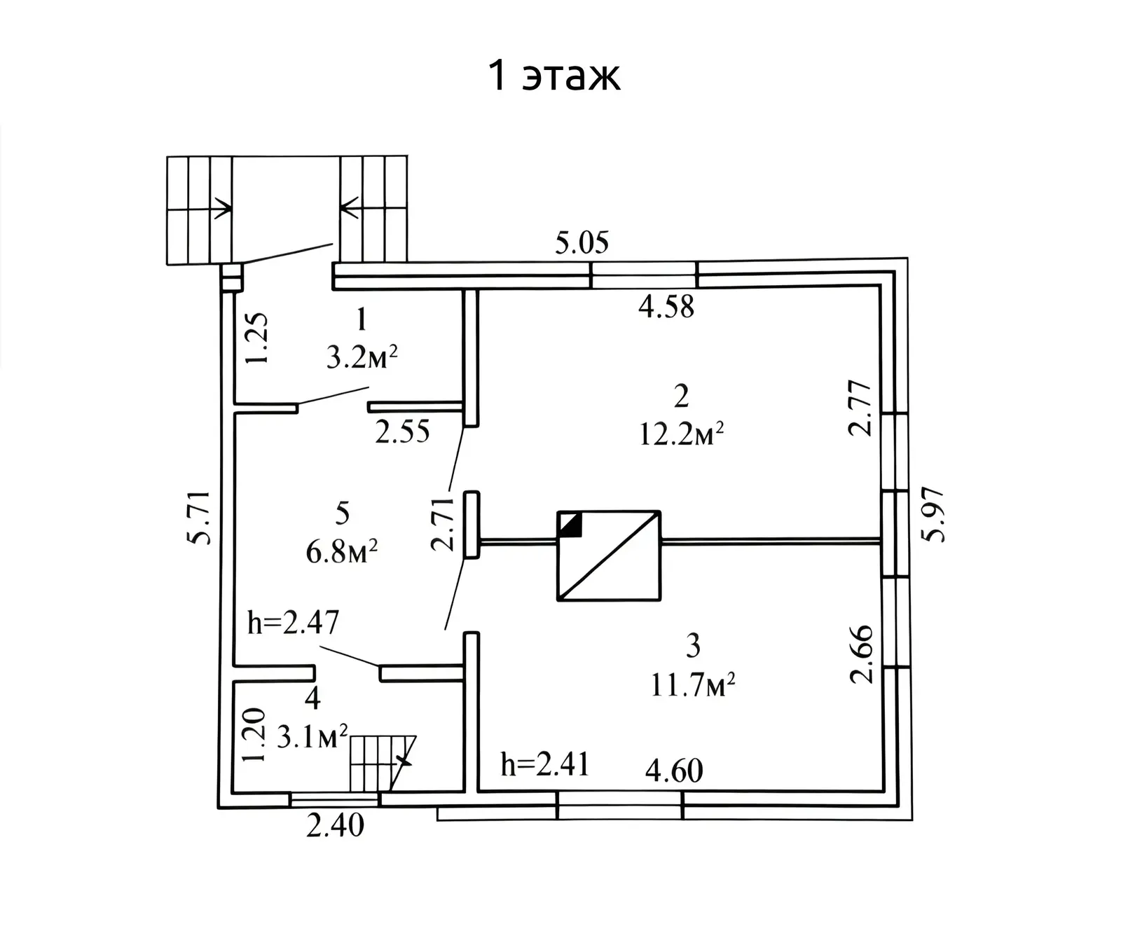
Первый этаж:
Входная группа 3,2 кв.м.; кухня 6,8 кв.м.; две жилые комнаты 11,7 кв.м. и 12,2 кв.м.
Высота потолка первого этажа 2,47 м.
Мансардный этаж:
Две жилые комнаты 13,4 кв.м и 8,1 кв.м. Высота потолка мансарды 2,04 м.
Цокольный этаж:
Общая площадь цоколя 32,5 кв.м., представлен 2 помещениями 10,9 кв.м. и 21,6 кв.м., высота потолка цоколя 2,02 м.

Характеристика строения, коммуникации:
Фундамент ленточный.
Дом щитовой, по Госту, Финская технология, обложен кирпичем, обшит сайдингом. Между цоколем и 1 этажом - ж/б перекрытия. Кровля - шифер, рубероид.
Отопление - русская печь, действующая, отапливали дом до ноября.
По всему дому установлены ПВХ стеклопакеты.
Внутри отделка: деревянная вагонка.
Пол дощатый добротный, окрашенный.
Коммуникации: на участке сезонное водоснабжение, заведено в дом, электричество 220.
Возле дома, под окнами кухни, сделана канализация - один колодец в 4 кольца метровых, осталось сделать подвод из дома.

Участок, дополнительные строения:
Местность холмистая, участок на возвышенности, 6,04 сотки, частная собственность.
Размеры участка: 20 м * 30 м.
По факту - земли гораздо больше, за нашим участком нет больше строений.  При желании,  можно взять дополнительные сотки, расширить владения!
На участке молодые плодоносящие яблони, вишни; грядок нет.

Инфраструктура, природа рядом:
Приезжает автолавка.
К СТ вплотную примыкает лесной массив.

Можно добраться:
На машине: в направлении Молодечно, 40 минут от края кольцевой, скоростная трасса. По гравийной дороге - 1,2 км.

Своим ходом: Прямой маршруткой 3700  со станции Дружная или прямым автобусом 552 с автовокзала Центральный, доехать до д. Красовщина, пройти до участка 16 минут (1,3 км ).

Не упустите шанс приобрести эту дачу!
Звоните и записывайтесь на просмотр!
Поможем продать Вашу недвижимость для покупки этой!
Гарантия безопасности сделки и полное юридическое сопровождение!

Код объекта: 184178 Договор с собственником: 385/1 от 2025-09-16 Опубликовано: 20.09.2025 Обновлено: 16.01.2026
1 / 6 / 98
Дача, 91 м2
ПОЛЯНА, д. 36
33 017 р.
Наталья
Пожалуйста, скажите, что нашли этот объект на Domovita.by
+
Фильтр сохранен